產品概述:
鍛鋼截止閥整體法蘭閥門有三種閥蓋設計,第一種是螺栓型閥蓋,通過凹凸面連接,采用不銹鋼帶與柔性石墨纏繞墊片,按需求也可采用環連接,第二種是焊接型閥蓋,通過螺紋密封后焊接,按需求也可直接采用剛性焊接,第三種是自密封閥蓋,通過螺紋與自密封閥蓋連接。產品廣泛應用于石油、化工、制藥、電力行業等各種工況的管路上。
特點及優點:
●該產品嚴格按API602、BS 5352標準設計制造,閥瓣沿著中心定位作升降運動,(襯套采用耐磨性能好,摩擦系數小的特殊材料制作),動作靈活可靠,密封性能優良。產品廣泛應用于石油、化工、制藥、電力行業等各種工況的管路上。
●手輪采用可鍛鑄鐵鍛造,造型配合手握,適當增加摩擦力,方便開啟。并示有明顯的"開"、"關"標記。較大口徑、較高壓力的可選用撞擊式手輪。
●閥桿螺母采用高鎳球鐵, "T"形螺紋與閥桿配合傳遞力矩。閥蓋上填料壓蓋和壓套分體設計,保證閥桿的同心度。合理的填料函確保閥門沒有外漏。符合環保要求。
●閥蓋設有上密封座。符合美國石油協會API和英國BS標準的要求。
設計與制造標準:
●設計與制造:JB/T1751 、GB/T12235
●結構長度:GB/T12235
●法蘭尺寸:JB/T79、GB/T9113
●螺紋連接尺寸:GB/T7306
●對焊連接尺寸: GB/T12224
●壓力溫度:GB/T9131
●檢驗與試驗:JB/T9092、GB/T13927
材料明細表:
序號 | 零件名稱 | 碳鋼系列 | 合金鋼系列 | 不銹鋼系列 | |
ASTM/ASME | |||||
1 | 閥體/Body | A105 | A182F22 | A182F304(L) | A182F316(L) |
2 | 閥瓣/Disc | A182/F430 & 410 | A182/F304 | A182F/304(L) | A182/F316(L) |
3 | 閥桿/Stem | A182/F6a | A182/F304 | A182/F304(L) | A182/F316(L) |
4 | 密封墊片/Gasket | 304+夾柔性石墨 | 304+夾柔性石墨 | 316+夾柔性石墨/PTFE | 316+夾柔性石墨/PTFE |
5 | 閥蓋/Bonnet | A105 | A182/F304 | A182/F304(L) | A182/F316(L) |
6 | 螺柱/Stud | A193/B7 | A193/B16 | A193/B8 | A193/B8M |
7 | 銷軸/Pin | A276/420 | A276/304 | ||
8 | 填料壓套/Packing Bushing | A276/410 | A182/F304(L) | A182/F316(L) | |
9 | 填料壓板/Gland | A105 | A182/F11 | A182/F304(L) | A182/F316(L) |
10 | 活結螺栓/Eyebolt | A193/B7 | A193/B16 | A193/B8 | A193/B8M |
11 | 螺母/Eyebolt Nut | A194/2H | A194/4 | A194/8 | A194/8M |
12 | 閥桿螺母/Stem Nut | A276/410 | |||
13 | 手輪螺母/ Handwheel Nut | A194/2H | A194/4 | A194/8 | A194/8M |
14 | 銘牌/ nameplate | SS 304 | 17 | 銘牌/ nameplate | SS 304 |
15 | 手輪/Handwheel | A197 | |||
16 | 填料/Packing | 柔性石墨 | |||
17 | 銘牌/ nameplate | SS 304 | |||
適用介質 | 水、蒸汽、油品等 | 水、蒸汽、油品等 | 硝酸、醋酸等 | ||
適用溫度 | -29℃~425℃ | -29℃~550℃ | -29℃~200℃ | ||
注:客戶需求的其他材質也可采用.密封面材料配對客戶指定內件代號決定
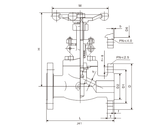
鍛鋼截止閥尺寸(mm)和重量(kg) :

| PN(MPa) | DN(mm) | 15 | 20 | 25 | 32 | 40 | 50 | 65 |
| 1.6 | d(縮徑) | 10 | 13 | 19.1 | 24 | 31.8 | 38.1 | 48.5 |
| 2.5 | ||||||||
| 4.0 | ||||||||
| 6.4 | ||||||||
| 10.0 | ||||||||
| 1.6 | L | 130 | 150 | 160 | 190 | 200 | 230 | 290 |
| 2.5 | ||||||||
| 4.0 | ||||||||
| 6.4 | 170 | 190 | 210 | 230 | 260 | 300 | 340 | |
| 10.0 | ||||||||
| 1.6 | H(開啟) | 158 | 163 | 193 | 250 | 250 | 291 | 350 |
| 2.5 | ||||||||
| 4.0 | ||||||||
| 6.4 | ||||||||
| 10.0 | ||||||||
| 1.6 | W | 100 | 100 | 125 | 160 | 160 | 180 | 240 |
| 2.5 | ||||||||
| 4.0 | ||||||||
| 6.4 | ||||||||
| 10.0 | ||||||||
| 1.6 | WT(kg) | 3.8 | 4.5 | 5.6 | 6.3 | 9.1 | 13.7 | 24.5 |
| 2.5 | 4.0 | 4.7 | 5.8 | 6.5 | 10.7 | 15.3 | 26.2 | |
| 4.0 | 4.3 | 5.0 | 6.3 | 7.0 | 12.3 | 18.8 | 27.7 | |
| 6.4 | 4.8 | 5.6 | 8.0 | 9.4 | 13.7 | 23.7 | 32.0 | |
| 10.0 | 5.4 | 6.6 | 9.8 | 10.5 | 18.6 | 27.6 | 35.0 |